免费注册
0
快速报价
18267414183
包塑精益管/接头/配件
铝合金精益管
铝合金精益管功能辅件
型材/连接件
台面板/中空板
脚轮/地脚/牵引
流利条/接头
看板/标识牌
工作台/周转车/料架
精益柔性线
自动化类线体
您尚未登录,无法使用快速报价服务!
下次自动登录
其他登录方式
微信登录
账号登录
手机号登录
*反馈(投诉)内容
*您的姓名
*您的电话
*电子邮箱
*公司名称
*公司名称 :
*姓名 :
*手机 :
固定电话 :
个人邮箱 :
*所在地区 :
*详细地址 :
*所在职位 :
请选择申请人职位
研发人员
采购人员
营销人员
管理人员
其他
>
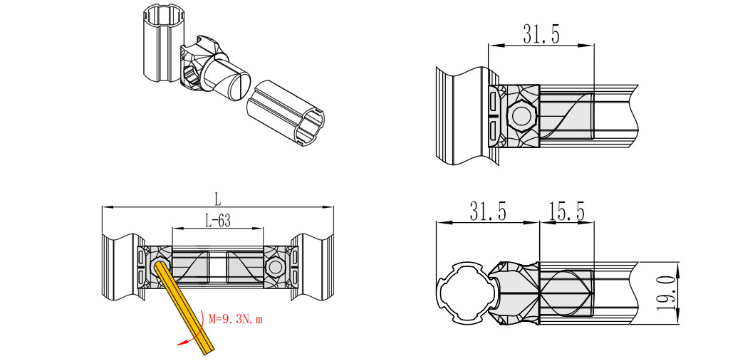
名称:内直旋转接头
型号:DYJ19-B01D
材质:ADC12
表面:喷砂
单重:18g
下载3D模型
下载PDF文件
三代Φ19精益管可旋转角度的内接头,可以满足横向精益管卡槽连接所需的角度,锁紧后固定角度。